在當今電子設備日益追求高效能、低功耗以及小型化的趨勢下,電源管理芯片的設計也面臨著更高的要求。LPK8727作為一款12W極簡化的自供電原邊反饋控制芯片,以其高度集成化、外圍設計簡單以及出色的性能表現,成為了眾多電源設計工程師的理想選擇。本文將深入探討LPK8727芯片的技術規格、典型應用以及設計要點,為相關領域的工程師提供詳盡的參考。
LPK8727一款高度集成的隔離型適配器和充電器的自供電原邊反饋控制芯片。該芯片專為12W以下的隔離方案設計,外圍電路極其簡單,極大地簡化了系統設計,降低了成本。LPK8727通過外置電阻可調節原邊峰值電流,并通過變壓器原副邊匝比來設置輸出恒流點。此外,通過設定反饋引腳(FB)上的偏置電阻,可以精確設置輸出恒壓點。

集成BJT:適用于12W以下的隔離方案。
內置啟動電路:無需外部啟動電阻,簡化了啟動過程。
自供電技術:取消了輔助繞組VCC供電二極管,進一步降低了系統成本。
可調峰值電流:通過外置電阻調節峰值電流,提供了靈活的設計選項。
極低待機功耗:有效降低了系統在待機狀態下的能耗。
專利電流驅動技術:降低了溫升,提高了系統穩定性。
輸出線損補償技術:通過設定FB外置上偏電阻的值來調節輸出線纜補償值,提高了輸出電壓的精度。
全面的保護功能:包括VCC鉗位/欠壓保護、FB腳上電阻開路保護、輸出短路保護、輸出過壓保護以及過溫保護等。
電源電壓(VCC):-0.3V至6.5V。
反饋電壓輸入端(FB):-0.3V至6.5V。
峰值電流選擇腳(SEL):-0.3V至6.5V。
最大功耗(DMAX):0.45W。
PN結到環境的熱阻(θJA):120℃/W。
PN結到管殼的熱阻(θJC):40℃/W。
工作結溫范圍(TJ):-40℃至150℃。
儲存溫度范圍(TSTG):-55℃至150℃。
ESD保護:2KV(人體模型)。
LPK8727采用SOP8L封裝,具有良好的散熱性能和緊湊的尺寸,適合各種緊湊型電源設計。

LPK8727特別適用于各種適配器和充電器應用,能夠提供穩定的輸出電壓和電流,確保設備在充電過程中的安全性和可靠性。其內置的多種保護功能,如輸出短路保護和過壓保護,能夠有效防止因異常情況導致的設備損壞。
在LED驅動電源中,LPK8727能夠提供精確的恒流控制,確保LED在不同工作條件下都能保持穩定的亮度。其輸出線損補償技術能夠有效補償輸出電流在輸出線上的損耗壓降,提高系統的整體效率。
LPK8727可以作為線性電源和RCC開關電源的升級換代產品,提供更高的效率和更好的性能。其自供電技術和內置啟動電路能夠簡化設計,降低系統成本。
LPK8727還適用于各種輔助電源應用,如小型電子設備的備用電源等。其低待機功耗和全面的保護功能使其成為理想的電源管理解決方案。
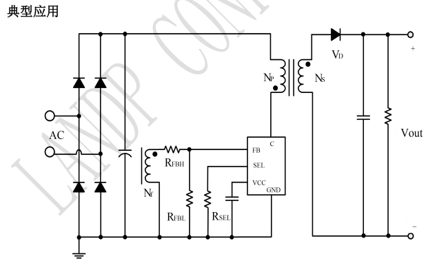
LPK8727典型應用圖如下:

LPK8727僅需1uA的啟動電流。系統上電后,通過內部啟動電路給Vcc的電容充電,當Vcc電壓達到芯片開啟閾值時,芯片內部控制電路開始工作。系統啟動后,Vcc由內部專有的供電電路進行供電。
SEL腳外接電阻RSEL,可調最大峰值電流IPKMAX。公式如下:
建議RSEL>15K。
LPK8727逐周期檢測電感的峰值電流,當原邊電感中的實時電流大于芯片設定的最大峰值電流IPKMAX時,功率管關斷。輸出電流IOUT的計算公式如下:
其中,TDEM為退磁時間,TSW為開關周期,ISPKMAX為次級峰值電流,IPKMAX為初級峰值電流,NP為變壓器初級匝數,NS為變壓器次級匝數。
LPK8727通過電阻采樣反激電壓,電阻分壓后得到的電壓與內部基準比較形成閉環后,來恒定輸出電壓Vout。輕載輸出電壓計算公式如下:

帶載輸出電壓計算公式如下:

其中,RFBH是FB外接的上偏電阻,RFBL是FB外接的下偏電阻,ICOMP_LINE是滿載經過FB上偏電阻的輸出線補償電流,Nf是輔助繞組匝數,VFB是基準電壓(典型值1.0V),VD為輸出續流管壓降,IO為帶載電流,IOCP為輸出恒流電流。
LPK8727集成了多種保護功能,包括:
VCC鉗位/欠壓保護:確保芯片在異常電壓條件下安全工作。
FB腳上電阻開路保護:防止因外部電阻故障導致的系統異常。
輸出短路保護:在輸出短路時保護系統免受損壞。
輸出過壓保護:防止輸出電壓過高損壞負載設備。
過溫保護:在芯片溫度過高時自動關閉,防止熱損壞。
在設計LPK8727的PCB時,需要遵循以下指南:
VCC旁路電容:VCC的旁路電容需要緊靠芯片VCC和GND引腳。
SEL腳電阻:SEL腳的電阻需要緊靠芯片SEL和GND引腳。
FB引腳:接到FB腳的分壓電阻必須靠近FB引腳,且節點要遠離變壓器原邊繞組的動點。
功率環路的面積:減小功率環路的面積,如變壓器原邊繞組、功率管、母線電容的環路面積,以及變壓器副邊繞組、整流二極管、輸出電容的環路面積,以減小EMI輻射。
C引腳:適當增加C引腳的鋪銅面積以提高芯片散熱。
LPK8727作為一款12W極簡化的自供電原邊反饋控制芯片,憑借其高度集成化、外圍設計簡單以及出色的性能表現,成為了眾多電源設計工程師的理想選擇。通過深入了解其技術規格和設計要點,工程師可以更好地將其應用于實際項目中,實現高效、穩定的電源管理解決方案。