G2365M-12環球芯片SOP8/DIP7封裝 低成本非隔離交直流轉換芯片
SOP8
SOP8
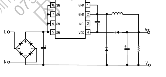
G2365M-12 是一款高集成度、高性能、低待機功耗的開關電源芯片,適用于非隔離開關電源應用。
G2365M-12內部集成了高壓啟動電路、電流采樣電路、電壓反饋回路。外部無需啟動電阻、電流采樣電阻和
電壓采樣電阻,極大地減少了外圍器件數量,節省了系統成本和體積,同時采用先進的技術無需其他補償器件
即可實現優異的輸出電壓精度和負載調整率。
G2365M-12 提供了豐富的保護功能,包括:VDD欠壓和鉗位保護、輸出過壓保護、過流保護、過溫保護、輸
出短路保護等。
◆ 內置高壓功率管
◆ 內置高壓啟動電路、電流、電壓采樣電路
◆ 固定 12V 輸出應用
◆ 優異的動態響應
◆ 內置軟啟動電路
◆ 集成完善的保護功能:
VDD 欠壓和鉗位保護、輸出過壓保護、過流保護、過溫保護、輸出短路保護等。

G2365M-12功率表:

AC-DC 非隔離開關電源
◆ 小家電輔助電源
◆ 電機驅動輔助電源
◆ 智能照明輔助電源