在現代廚房電器中,咖啡機和空氣炸鍋因其便捷性和高效能而受到消費者的青睞。這些設備需要穩定且高效的電源解決方案以確保最佳性能。G2363P-12和G2363M-12,作為高性能、低成本的非隔離交直流轉換芯片,為這些廚房電器提供了理想的電源管理方案。
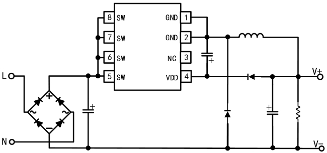
G2363X-12系列芯片由Global Semiconductor Co., LTD開發,是一款專為非隔離開關電源應用設計的高集成度、高性能、低待機功耗的開關電源芯片。該系列芯片以其優異的動態響應和內置的軟啟動電路,為咖啡機和空氣炸鍋等廚房電器提供了穩定可靠的電源。

內置高壓功率管
G2363X-12系列芯片內置高壓功率管,減少了外部元件的需求,簡化了電路設計,同時提高了系統的可靠性。
高集成度
芯片內部集成了高壓啟動電路、電流采樣電路和電壓反饋回路,無需外部啟動電阻、電流采樣電阻和電壓采樣電阻,進一步降低了系統成本和體積。
優異的動態響應
G2363X-12系列芯片提供了優異的動態響應,能夠快速適應負載變化,確保咖啡機和空氣炸鍋在不同工作模式下都能獲得穩定的電源。
內置軟啟動電路
內置的軟啟動電路可以避免電源啟動時的電流沖擊,保護電路元件,延長設備使用壽命。
集成完善的保護功能
G2363X-12系列芯片提供了包括VDD欠壓和鉗位保護、輸出過壓保護、過流保護、過溫保護和輸出短路保護等在內的全面保護功能,確保了電源的安全性和穩定性。

對于咖啡機而言,G2363X-12系列芯片能夠提供穩定的12V輸出,滿足咖啡機在沖泡過程中對電源的高要求。其低待機功耗特性,也使得咖啡機在非工作狀態下能耗極低,符合現代節能標準。
空氣炸鍋在工作時需要較高的功率輸出,G2363X-12系列芯片能夠提供高達350mA的電流輸出,滿足空氣炸鍋的功率需求。同時,其優異的動態響應和全面保護功能,確保了空氣炸鍋在高溫和高功率工作條件下的穩定性和安全性。
G2363P-12和G2363M-12作為非隔離12V電源芯片,以其高集成度、優異的動態響應和全面的保護功能,為咖啡機和空氣炸鍋等廚房電器提供了高效、穩定且安全的電源解決方案。隨著廚房電器市場的不斷發展,G2363X-12系列芯片有望在更多家電產品中得到廣泛應用,為消費者帶來更加便捷和高效的廚房體驗。