首頁 ? 常見問題
在快充技術迅速發展的今天,高耐壓能力成為了衡量電源管理芯片性能的重要指標之一。LP8776CD作為一款隔離型多模式PWM控制器,其在快充方案中實現高耐壓的能力尤為突出。本文將深入探討LP8776CD如何通過其獨特的設計和技術實現高耐壓,確保快充方案的安全性和可靠性。
快充技術的發展對電源管理芯片提出了更高的要求,尤其是在耐壓能力方面。LP8776CD作為一款專為65W PD應用設計的控制器,其高耐壓特性使其在快充領域脫穎而出。本文將分析LP8776CD實現高耐壓的關鍵技術和設計。

VCC耐壓設計:LP8776CD的VCC耐壓高達200V,這一設計顯著提高了芯片在高電壓輸入下的穩定性和安全性。在快充方案中,高耐壓的VCC設計可以有效防止因電壓突波導致的芯片損壞,保障了整個系統的穩定運行。
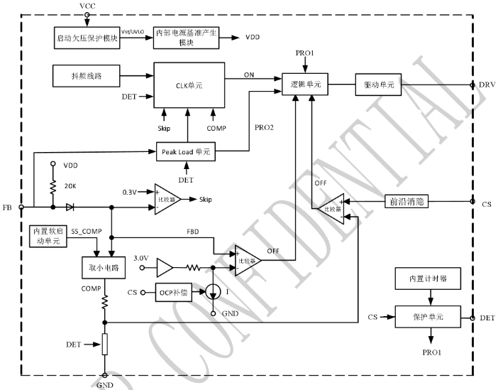
多重保護功能:LP8776CD具備多重保護功能,包括VCC欠壓保護、VCC過壓保護、輸出過載保護、輸出短路保護等,這些保護功能為高耐壓設計提供了額外的安全保障。在快充過程中,這些保護機制能夠及時響應異常情況,避免因電壓過高而造成的損害。
特有的高低壓輸出電流補償:LP8776CD采用特有的高低壓輸出電流補償方式,使得輸出過流電流(IOCP)不隨輸入電壓變化,這一設計有助于維持在不同電壓條件下的穩定輸出,增強了芯片的耐壓能力。
軟啟動功能:LP8776CD內置典型值9mS的軟啟動功能,通過在啟動階段逐周期增加VCS保護閾值的方式實現,有利于避免變壓器的飽和和降低副邊二極管的應力,從而提高耐壓性能。
頻率抖動技術:LP8776CD采用特有的頻率抖動技術來改善EMI指標,這種技術可以在不犧牲耐壓性能的前提下,優化電磁兼容性,減少因高電壓引起的電磁干擾。

LP8776CD應用于65W PD電源/其它反激電源
LP8776CD通過其高VCC耐壓設計、多重保護功能、高低壓輸出電流補償、軟啟動功能以及頻率抖動技術,在快充方案中實現了卓越的高耐壓性能。這些特性不僅提高了快充方案的安全性和可靠性,也為設計者提供了更多的靈活性和設計空間。隨著快充技術的不斷進步,LP8776CD的高耐壓特性將在未來的應用中發揮更大的作用。